High Pass Filter: Complete Guide with RC Circuits, Frequency Response & Calculations

High pass filters are essential components in modern electronics and signal processing, yet many engineers and technicians misunderstand how they work. Whether you're designing audio equipment, building instrumentation circuits, or working with AC signal coupling, understanding high pass filter theory and practical design is critical for achieving reliable results.

A high pass filter serves one fundamental purpose: it allows high-frequency signals to pass through while blocking or attenuating low-frequency signals. This simple concept has profound applications across virtually every field of electrical engineering, from audio processing to biomedical instrumentation. The RC high pass filter—constructed with just a resistor and capacitor—represents the foundation of filter design and provides valuable insights into frequency-dependent circuit behavior.

Table of Contents

  1. Understanding High Pass Filters: Fundamentals
  2. How High Pass Filters Work
  3. RC High Pass Filter Circuits
  4. Frequency Response and Cutoff Frequency
  5. High Pass Filter Design Calculations
  6. Practical Applications
  7. High Pass Filter vs Low Pass Filter
  8. Advanced Filter Design

Understanding High Pass Filters: Fundamentals

What is a High Pass Filter?

A high pass filter is a frequency-selective circuit that exhibits the following characteristics:

Key Characteristics:

  • Passes high frequencies: Signals above the cutoff frequency pass through with minimal attenuation
  • Blocks low frequencies: Signals below the cutoff frequency are significantly attenuated
  • Frequency dependent: Output amplitude changes with input frequency
  • Phase shifting: The filter introduces frequency-dependent phase shifts

The Cutoff Frequency Concept

The cutoff frequency (also called corner frequency or -3dB frequency) is the frequency where the filter transitions between passband and stopband regions. At this frequency, the output power equals half the input power, or equivalently, the output voltage is 70.7% (1/21/√2) of the input voltage.

We can see why this is the case with a simple calculation. Power in a resistor is proportional to the square of the voltage:

P=V2RP = \frac{V^2}{R}

At the cutoff frequency (fc)(f_c), the output power (Pout)(P_\text{out}) is half the input power (Pin)(P_\text{in}):

Pout=12PinP_\text{out} = \frac{1}{2} P_\text{in}

Substitute (P=V2/R)(P = V^2/R):

Vout2R=12Vin2R    Vout2=12Vin2\frac{V_\text{out}^2}{R} = \frac{1}{2} \frac{V_\text{in}^2}{R} \implies V_\text{out}^2 = \frac{1}{2} V_\text{in}^2

Take the square root:

Vout=Vin20.707VinV_\text{out} = \frac{V_\text{in}}{\sqrt{2}} \approx 0.707 \, V_\text{in}

So at the cutoff frequency, the output voltage is about 70.7% of the input voltage.

Why Frequency Selectivity Matters

Real-world signals contain multiple frequency components, often with unwanted interference or noise at different frequencies. A high pass filter allows you to:

  1. Remove unwanted low-frequency content (rumble, hum, offset)
  2. Isolate desired high-frequency signals (audio content, sensor data)
  3. Protect circuits from DC and very low frequency interference
  4. Improve signal quality by eliminating noise outside the frequency band of interest

How High Pass Filters Work

Capacitive Reactance: The Key Principle

The foundation of high pass filter operation is capacitive reactance—the opposition a capacitor presents to AC signals at different frequencies.

Capacitive reactance is calculated as:

XC=12πfCX_C = \frac{1}{2\pi f C}

Where:

  • XCX_C = Capacitive reactance (ohms)
  • ff = Frequency (Hz)
  • CC = Capacitance (farads)

Critical Insight: As frequency increases, capacitive reactance decreases. This is why capacitors effectively pass high-frequency signals and block low-frequency signals.

Frequency-Dependent Behavior

At Very Low Frequencies

  • Capacitive reactance is very high (approaching infinite resistance)
  • The capacitor blocks most current flow
  • The output voltage is severely attenuated
  • Phase shift approaches -90° (capacitor dominates)

At the Cutoff Frequency

  • Capacitive reactance equals the resistance value
  • Output voltage is 70.7% of input voltage (-3dB)
  • Phase shift equals -45°
  • This is where the filter "turns on"

At High Frequencies

  • Capacitive reactance becomes negligible
  • The capacitor acts like a short circuit to AC signals
  • Most signal passes through with minimal attenuation
  • Phase shift approaches 0° (resistor path dominates)

Impedance and Signal Routing

In a simple RC high pass filter:

  1. Low frequencies: High capacitive reactance forces current through both R and C in series—voltage drops mostly across the capacitor, little reaches the output
  2. High frequencies: Low capacitive reactance means current bypasses the capacitor's opposing effect—signal passes to output with minimal loss

RC High Pass Filter Circuits

The Basic First-Order RC High Pass Filter

The simplest high pass filter configuration consists of a series capacitor followed by a parallel resistor:

First order high pass filter design circuit and frequency response diagram

Circuit Analysis: Voltage Divider Approach

The RC high pass filter operates as a frequency-dependent voltage divider. The transfer function defines how output voltage relates to input voltage:

H(f)=VoutVin=jXCR+jXC=j(1/2πfC)R+j(1/2πfC)H(f) = \frac{V_{out}}{V_{in}} = \frac{jX_C}{R + jX_C} = \frac{j(1/2\pi fC)}{R + j(1/2\pi fC)}

This can be rewritten in terms of magnitude and phase:

H(f)=11+(fc/f)2|H(f)| = \frac{1}{\sqrt{1 + (f_c/f)^2}} ϕ(f)=90°arctan(fc/f)\phi(f) = 90° - \arctan(f_c/f)

Where fcf_c is the cutoff frequency.

Component Selection Guidelines

When designing an RC high pass filter, follow these guidelines:

ConsiderationGuidelineWhy
Resistance Value1 kΩ - 1 MΩ typicalBalances impedance and practical component values
Capacitance Value1 nF - 1 µF typicalAchieves desired cutoff frequency
Output LoadingLoad impedance > 10 × RMinimizes loading effects and frequency distortion
Component Tolerance5-10% toleranceProvides stable cutoff frequency
Temperature StabilityUse film capacitorsBetter frequency stability across temperature ranges

Frequency Response and Cutoff Frequency

Cutoff Frequency Calculation

The cutoff frequency of an RC high pass filter is the frequency where capacitive reactance equals the resistance:

fc=12πRCf_c = \frac{1}{2\pi RC}

Where:

  • fcf_c = Cutoff frequency (Hz)
  • RR = Resistance (Ω)
  • CC = Capacitance (F)

Design Example 1: Audio High Pass Filter for Microphone

Objective: Remove rumble and DC offset from a microphone input

  • Desired cutoff frequency: 100 Hz
  • Available load impedance: 10 kΩ
  • Select: R = 10 kΩ

Calculation:

C=12πfcR=12π×100×10,000C = \frac{1}{2\pi f_c R} = \frac{1}{2\pi \times 100 \times 10,000} C=16,283,200=159nFC = \frac{1}{6,283,200} = 159 nF

Result: Use 160 nF (0.16 µF) capacitor with 10 kΩ resistor Actual cutoff frequency: fc=1/(2π×10,000×160×109)=99.5Hzf_c = 1/(2π × 10,000 × 160×10⁻⁹) = 99.5 Hz

Bode plot showing magnitude response of a first order RC high pass filter with 100 Hz cutoff frequency for microphone signal conditioning

Magnitude Bode plot of a first-order RC high-pass filter designed for a 100 Hz cutoff frequency. The plot shows the −3 dB point at 100 Hz, where low-frequency components such as DC offset and rumble are effectively removed from the microphone signal.


Phase response curve of a first order RC high pass filter at 100 Hz cutoff frequency used in audio microphone preamp design

Phase response of the same RC high-pass filter. At the cutoff frequency (100 Hz), the output phase leads the input by approximately 45°, illustrating the filter’s characteristic frequency-dependent phase shift common in audio preamps.

Design Example 2: AC Coupling for Amplifier

Objective: Remove DC offset from amplifier input while preserving audio (20 Hz - 20 kHz)

  • Desired cutoff frequency: 20 Hz (below audio range)
  • Desired input impedance: 100 kΩ
  • Select: R = 100 kΩ

Calculation:

C=12π×20×100,000=112,566,400=79.6nFC = \frac{1}{2\pi \times 20 \times 100,000} = \frac{1}{12,566,400} = 79.6 nF

Result: Use 82 nF (0.082 µF) capacitor At 20 Hz: -3dB (0.707 output) At 100 Hz: -0.3dB (0.96 output - minimal effect) At 20 kHz: essentially 0dB (full pass-through)

Bode plot showing magnitude response of a first order RC high pass filter with 20 Hz cutoff frequency for removing DC offset and sub-audio rumble in microphone signals

Magnitude Bode plot of a first-order RC high-pass filter designed for a 20 Hz cutoff frequency. The plot shows the −3 dB point near 20 Hz, indicating effective attenuation of very low-frequency components below the audible range.


Phase response of a first order RC high pass filter with 20 Hz cutoff frequency used in audio circuits for microphone preamplifiers

Phase response of the same RC high-pass filter. At the cutoff frequency (20 Hz), the output phase leads the input by approximately 45°, demonstrating the filter’s characteristic frequency-dependent phase shift in audio signal paths.

Frequency Response Characteristics

The frequency response of a first-order high pass filter has distinctive features:

Passband (frequencies well above fc):

  • Attenuation: < 1dB
  • Magnitude response: relatively flat
  • Phase shift: approaching 0°

Transition Region (frequencies near fc):

  • Attenuation: varies from 3dB to 20dB per decade
  • Roll-off rate: 20 dB/decade (6 dB/octave)
  • Phase shift: 0° to -90°

Stopband (frequencies well below fc):

  • Attenuation: increases 20 dB for each frequency decade decrease
  • At f = 0.1fc: approximately -20dB attenuation
  • Phase shift: approaching -90°

High Pass Filter Design Calculations

Step-by-Step Design Process

Step 1: Define Requirements

  • Determine required cutoff frequency
  • Specify acceptable attenuation in passband
  • Define desired input/output impedance

Step 2: Choose Component Values

  • Select either R or C based on practical availability
  • Standard values simplify procurement and design modifications

Step 3: Calculate Complementary Component

Use the formula: C=1/(2πRfc)C = 1/(2πRf_c) or R=1/(2πCfc)R = 1/(2πCf_c)

Step 4: Verify Performance

  • Calculate actual cutoff frequency with real component values
  • Verify output loading effects
  • Check impedance compatibility

Complete Design Example: Instrumentation High Pass Filter

Problem: An accelerometer outputs signals from 0-500 Hz, but you need to remove DC and low-frequency drift below 1 Hz while preserving the 1-500 Hz signal content.

Requirements:

  • Cutoff frequency: 1 Hz
  • Input impedance: 1 MΩ (high impedance sensor)
  • Passband attenuation: < 0.5 dB at 500 Hz

Design Process:

Step 1 - Choose Resistance: Select R = 1 MΩ (matches sensor impedance)

Step 2 - Calculate Capacitance:

C=12πfcR=12π×1×1,000,000C = \frac{1}{2\pi f_c R} = \frac{1}{2\pi \times 1 \times 1,000,000} C=16,283,000=159nFC = \frac{1}{6,283,000} = 159 nF

Step 3 - Select Standard Value: Use C = 160 nF (0.16 µF) film capacitor

Step 4 - Verify Performance:

Actual fc=1/(2π×1,000,000×160×109)=0.994Hzf_c = 1/(2π × 1,000,000 × 160×10⁻⁹) = 0.994 Hz

At 500 Hz:

H(500)=11+(0.994/500)2=11.000004=0.999980.00017dB|H(500)| = \frac{1}{\sqrt{1 + (0.994/500)^2}} = \frac{1}{\sqrt{1.000004}} = 0.99998 ≈ -0.00017 dB

At 0.1 Hz (drift):

H(0.1)=11+(0.994/0.1)2=1100=0.1=20dB|H(0.1)| = \frac{1}{\sqrt{1 + (0.994/0.1)^2}} = \frac{1}{\sqrt{100}} = 0.1 = -20 dB

Solution: 1 MΩ resistor + 160 nF capacitor effectively removes drift while preserving sensor signal.

Decibel and Phase Response

Understanding attenuation in decibels is essential:

Attenuation(dB)=20log10(H(f))Attenuation (dB) = 20 \log_{10}(|H(f)|)

At Cutoff Frequency:

  • Magnitude: 0.707
  • Attenuation: 20 log₁₀(0.707) = -3.01 dB

One Octave Above Cutoff (f = 2fc):

  • Magnitude: 1/√(1 + 0.25) = 0.894
  • Attenuation: 20 log₁₀(0.894) = -0.97 dB

One Decade Above Cutoff (f = 10fc):

  • Magnitude: 1/√(1 + 0.01) = 0.995
  • Attenuation: 20 log₁₀(0.995) = -0.04 dB

One Decade Below Cutoff (f = 0.1fc):

  • Magnitude: 1/√(1 + 100) = 0.0995
  • Attenuation: 20 log₁₀(0.0995) = -20.04 dB

Practical Applications

1. Audio Signal Processing

AC Coupling in Microphone Preamplifiers

  • Removes DC offset and very low-frequency components
  • Typical cutoff frequency: 10-20 Hz
  • Preserves speech and music (300 Hz - 3 kHz)
  • Circuit: 100 nF capacitor with 10 kΩ input resistor

Rumble Filtering in Audio Equipment

  • Removes low-frequency vibration and handling noise
  • Typical cutoff frequency: 20-80 Hz
  • Improves perceived audio quality
  • Reduces power consumption in speaker systems

2. Biomedical Instrumentation

ECG (Electrocardiogram) Signal Conditioning

  • Removes baseline wander (very low frequency drift)
  • Cutoff frequency: 0.5-5 Hz
  • Preserves diagnostic ECG frequencies (0.05-100 Hz)
  • Critical for accurate heart rate and rhythm analysis

EEG (Electroencephalogram) Processing

  • High pass filtering at 0.5-1 Hz removes DC and drift
  • Low pass filtering at 70 Hz removes 50/60 Hz interference
  • Enables reliable brain activity detection

3. Instrumentation and Measurement

Sensor Signal Conditioning

  • Removes DC offset from sensor output
  • Eliminates low-frequency noise and drift
  • Protects analog-to-digital converter (ADC) dynamic range
  • Example: Accelerometer high pass filter at 1-10 Hz

Vibration Analysis Equipment

  • Removes low-frequency vibrations outside band of interest
  • Typical frequencies: 10 Hz - 1 kHz
  • Improves measurement signal-to-noise ratio

4. Power System Protection

High Voltage Power Quality Monitoring

  • Removes 50/60 Hz fundamental and low-order harmonics
  • Focuses on higher harmonic frequencies (>1 kHz)
  • Detects arcing faults and transient events
  • Improves protective relay coordination

High Pass Filter vs Low Pass Filter

Side-by-Side Comparison

ParameterHigh Pass FilterLow Pass Filter
Frequency ResponseAllows high frequencies, blocks low frequenciesAllows low frequencies, blocks high frequencies
Cutoff FrequencyBelow cutoff: attenuatedAbove cutoff: attenuated
Component ConfigurationSeries capacitor, shunt resistorSeries resistor, shunt capacitor
ApplicationsAC coupling, noise removalAnti-aliasing, smoothing
Phase at Low f-90°
Phase at High f-90°
Roll-off20 dB/decade below fc20 dB/decade above fc

Converting Between Filter Types

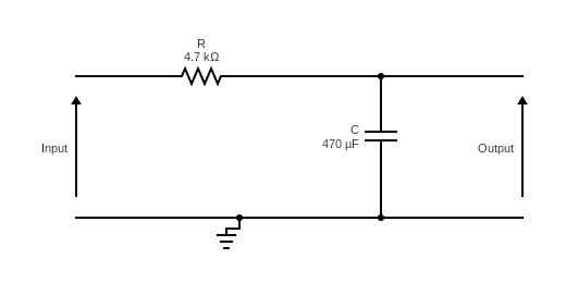
The relationship between high pass and low pass filters is straightforward: swap the resistor and capacitor positions.

High Pass Configuration:

High pass first order filter configuration circuit

Low Pass Configuration:

First order low pass filter design circuit and configuration

Both have the same cutoff frequency formula: fc=1/(2πRC)f_c = 1/(2πRC)

Choosing the Right Filter

Use High Pass Filter When:

  • You need to remove DC offset or low-frequency drift
  • AC coupling is required between circuit stages
  • Signal of interest is at higher frequencies
  • Removing baseline wander is critical

Use Low Pass Filter When:

  • Anti-aliasing before analog-to-digital conversion
  • Smoothing noisy signals
  • Signal of interest is at lower frequencies
  • Eliminating high-frequency noise and interference

Advanced Filter Design

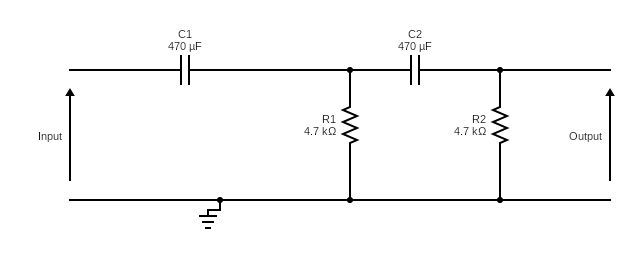
Second-Order High Pass Filters

For steeper frequency response (40 dB/decade), cascade two first-order stages:

Second order high pass filter design using two cascaded first order RC stages

Characteristics:

  • Roll-off rate: 40 dB/decade (12 dB/octave)
  • Phase shift range: -180° to 0°
  • Sharper cutoff than first-order filter
  • Cutoff frequency depends on both RC stages

Multiple-Feedback High Pass Filter Configuration

For improved frequency response characteristics:

Configuration Benefits:

  • Adjustable gain control
  • Better frequency response shape
  • Improved impedance buffering
  • Useful for precision applications

Active High Pass Filters

Using operational amplifiers (op-amps) provides additional benefits:

Advantages:

  • Adjustable gain without frequency distortion
  • Low output impedance (easy to cascade)
  • Less loading effects on input
  • Precision cutoff frequency tuning
  • Can implement complex transfer functions

Practical Circuit Construction Tips

PCB Layout Considerations

  1. Keep component leads short to minimize parasitic inductance
  2. Place capacitor close to resistor to maintain cutoff frequency accuracy
  3. Use ground plane for low-impedance return path
  4. Isolate high-impedance nodes from noise sources
  5. Consider shielding for very high-impedance circuits (> 10 MΩ)

Component Selection

Capacitor Types for Different Applications:

  • Film capacitors: Best for frequency stability and audio applications
  • Ceramic capacitors: Good for moderate impedance (< 100 kΩ), compact size
  • Electrolytic capacitors: Not recommended for AC filtering due to poor frequency response

Resistor Considerations:

  • Use 1% tolerance metal film resistors for accurate cutoff frequency
  • Select values to minimize loading on both source and load impedances
  • Consider temperature coefficient for stable frequency response

Conclusion: Mastering High Pass Filter Design

High pass filters remain one of the most essential tools in electronics and signal processing. Whether you’re designing a simple RC network or a multi-stage active filter, understanding how capacitive reactance changes with frequency is key to controlling which signals pass and which get attenuated.

These filters are used everywhere — from sensor signal conditioning and audio processing to motor control and communication circuits. The design process is simple yet powerful: choose your cutoff frequency, select accurate resistor and capacitor values, and verify your circuit’s response through analysis or simulation.

By mastering high pass filter design, you build a foundation that supports nearly every area of electrical and electronic engineering — from power systems to instrumentation and control.

Ready to strengthen your understanding of electrical fundamentals? Explore these detailed guides next:



Helpful Calculators


Credits


Share it:

Related Posts

AC Capacitors Explained: Types, Applications & Complete Sizing Guide with Calculations

AC capacitors are essential components in electrical and electronic systems, powering everything from residential air conditioning units to industrial motor control applications. Understanding how th....

Read the article

High Pass Filter: Complete Guide with RC Circuits, Frequency Response & Calculations

High pass filters are essential components in modern electronics and signal processing, yet many engineers and technicians misunderstand how they work. Whether you're designing audio equipment, build....

Read the article

I2C vs SPI: Complete Comparison Guide with Protocol Analysis & Real-World Applications

When designing embedded systems and IoT devices, choosing the right communication protocol can make or break your project's success. Two of the most popular serial communication protocols—**I2C (Inte....

Read the article